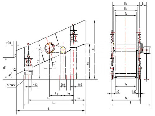
隆中重工圓振動篩工作原理結構圖
發布日期:2016-05-16 作者:隆中
眾所周知,圓振動篩是一款作圓形運動的振動篩分設備,主要由篩箱、篩網、振動器及減振彈簧等組成。振動器安裝在篩箱側板上,并由電動機通過三角皮帶帶動旋轉,產生離心慣性力,迫使篩箱振動。下面我們通過圓振動篩的結構圖來了解下關于圓振動篩的工作原理。
1. 篩箱:由數種厚度不同的鋼板焊制而成,具有特定的強度和剛度,是篩機的主要組成部分。
2. 篩網:有低碳鋼、黃銅、青銅、不銹鋼絲、彈性桿等數種篩網。
3. 電機使用與維修方法:詳見電機使用說明書。
4. 電機臺座:下振式篩機的電機臺座是可移動的,使用前連接螺釘需要擰緊,特別是新篩機試用前三天,b須反復緊固,以免松動造成事故。
5. 減震彈簧:阻止振動傳給地面,同時支持篩箱的全部重量,安裝時,彈簧需要垂直于地面。
6. 支架:由四個支柱和兩個槽鋼組在,支持著篩箱,安裝時支柱需要垂直于地面,兩支柱下面的槽鋼應相互平行。


有了以上隆中重工提供的圓振動篩結構圖并有詳細的配件說明,相信大家會對圓振動篩的工作原理和結構設計有了更詳細的了解把,如果還有哪些疑問的話,隨時歡迎您撥打熱線電話咨詢。
相關文章直線振動篩電機的三種安裝方式
公司熱線400-658-0379
聯系人白經理
相關推薦



